ЭкоТермент.Логотип
ЭкоТермент. Логотип
+375 17 33 66 333
+375 17 33 60 613

Электрические схемы завес

КЭВ-2П112Е, КЭВ-2,5П112Е

 
 

КЭВ-3П113Е


Вместо перемычки 1 может быть установлен
терморегулятор (отдельная поставочная единица).
 

КЭВ-4П121Е
КЭВ-5П121Е


Для самостоятельного подключения однофазных завес КЭВ-4П121Е и КЭВ-5П121Е к трехфазной сети 380В необходимо снять перемычки и подключить пятижильный кабель к клеммам A,B,C,N и "земля".

 

КЭВ-П201Е

 
 

КЭВ-П221Е

Для самостоятельного подключения однофазной завесы КЭВ-П221Е к трехфазной сети 380В необходимо снять перемычки и подключить пятижильный кабель к клеммам A,B,C,N и "земля".
 

КЭВ-П202Е

 
 

КЭВ-П222Е

Для самостоятельного подключения однофазной завесы КЭВ-П222Е к трехфазной сети 380В необходимо снять две перемычки, подключить трехфазный кабель к клеммам A,B,C,N и "земля".
 

КЭВ-П303Е, КЭВ-П302Е, КЭВ-П403Е

 
 

КЭВ-П323Е

Для самостоятельного подключения однофазной завесы КЭВ-П323Е к трехфазной сети 380В необходимо снять две перемычки, подключить трехфазный кабель к клеммам A,B,C,N и "земля".
 

КЭВ-П304Е, КЭВ-П301Е

 
 

КЭВ-П305Е

 
 

КЭВ-П304Е, КЭВ-П301Е, КЭВ-П402Е, КЭВ-П404Е

 
 

КЭВ-П315Е

 
 

КЭВ-П306Е

Завеса КЭВ-П306Е состоит из двух модулей завес КЭВ-П305Е, подключенных двумя независимыми силовыми кабелями (внутри корпуса), и дополнительной клеммной колодки. Система управления имеет внутреннюю заводскую коммутацию.
 

КЭВ-П601Е

 

 
 

КЭВ-П604Е

 

 
 

КЭВ-П603Е, КЭВ-П605Е

Завеса КЭВ-П603Е состоит из двух модулей завес КЭВ-П304Е. Подключение к сети осуществляется двумя независимыми силовыми кабелями. Система управления имеет внутреннюю заводскую коммутацию.
  Модель тепловой завесы КЭВ-2П КЭВ-2,5П КЭВ-3П КЭВ-4П КЭВ-5П КЭВ-6П  
Автоматический выключатель 220В 220В 220В 220В/
380В
220В/
380В
220В/
380В
16A 16A 16A 25A/
10A
40A/
10A
40A/
16A
Медный кабель
(трехфазный)
- - - 5х1,0 5х1,0 5х1,5
Медный кабель
(однофазный)
3х1,5 3х1,5 3х1,5 3х2,5 3х4,0 3х4,0
  Модель тепловой завесы КЭВ-9П КЭВ-11П КЭВ-12П КЭВ-15П КЭВ-18П КЭВ-24П КЭВ-36П КЭВ-48П  
Автоматический выключатель 380В 380В 380В 380В 380В 380В 380В 380В
25A 25A 25A 40A 40A 63A 63A 100A
Медный кабель
(трехфазный)
5х2,5 5х2,5 5х2,5 5х4,0 5х4,0 5х6,0 2x(5х4,0) 2x(5х6,0)
Медный кабель
(однофазный)
- - - - - - - -
 

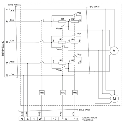
Для управления несколькими завесами с одного пульта необходимо соблюдать соответственное подключение силового кабеля к клеммным колодкам всех завес: фаза А ко всем клеммам, имеющим маркировку А, фазу В к В и т.д. В противном случае возможен выход из строя пульта управления.
 

Электрические схемы завес с водяным источником тепла и завес без источника тепла

КЭВ-20П211W, КЭВ-28П313W,
КЭВ-П211А, КЭВ-П313А

 

КЭВ-29П212W, КЭВ-П212А

 

КЭВ-42П311W,КЭВ-60П314W,
КЭВ-П311А, КЭВ-П314А

 

КЭВ-28П315W

 

КЭВ-60П316W

 

КЭВ-44П413W, КЭВ-П413А

 

КЭВ-98П412W, КЭВ-70П414W,
КЭВ-П412А, КЭВ-П414А

 

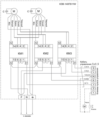
КЭВ-140П511W

 

 

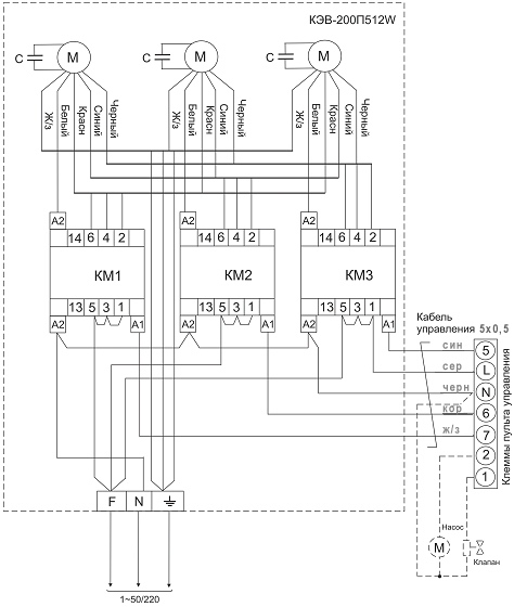
КЭВ-200П512W

 

 

КЭВ-170П701W, КЭВ-П701А

 

 

КЭВ-230П702W, КЭВ-П702А

 

 

Электрическая схема присоединений привода регулирующего клапана и насоса для узла 4 и 4Н.

Электрическая схема присоединений привода регулирующего клапана и насоса для узла 6,3; 6,3Н; 21; 21Н.

СХЕМЫ ПУЛЬТА УПРАВЛЕНИЯ

 

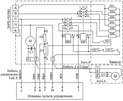
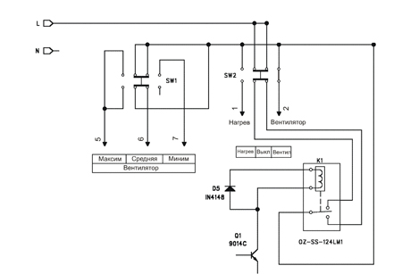
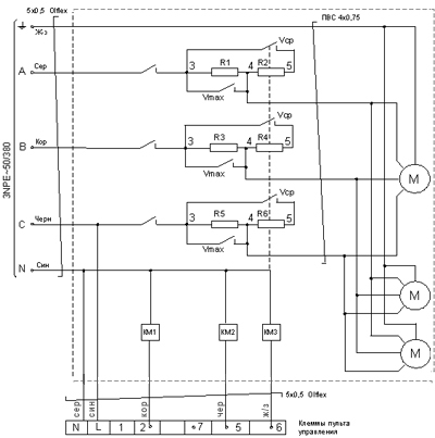
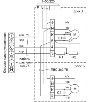
Электрическая схема пульта управления для КЭВ-4П121Е, КЭВ-5П121Е, КЭВ-ПW, КЭВ-ПА, КЭВ-TW

 

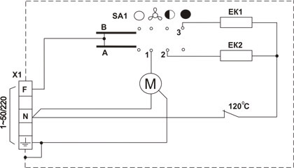
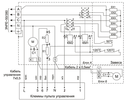
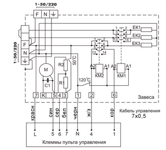
Электрическая схема пульта управления для КЭВ-ПE

 

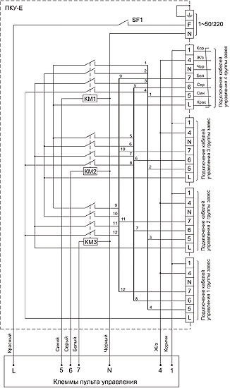
Электрическая схема пульта управления и коммутации ПКУ-Е

 

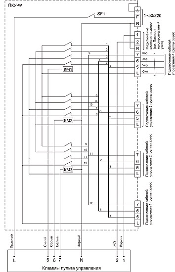
Электрическая схема пульта управления и коммутации ПКУ-W

НОВОСТИ И СОБЫТИЯ
26.05.2015 ВНИМАНИЕ!!!В связи с переездом изменились телефоны и адрес компании
05.03.2015 Приглашаем на выставку " Сварка и резка 2015!"
09.09.2014 Новинка: панель стационарная вытяжная «СВП-5000»
06.05.2014 Новинка: пресепаратор вертикальный «VPS»


RECLAMA